PRODUCTS


INA
RSL182213-A-XL-2S
Cylindrical roller bearing RSL182213-A-XL-2S
Add item
Main Dimensions & Performance Data
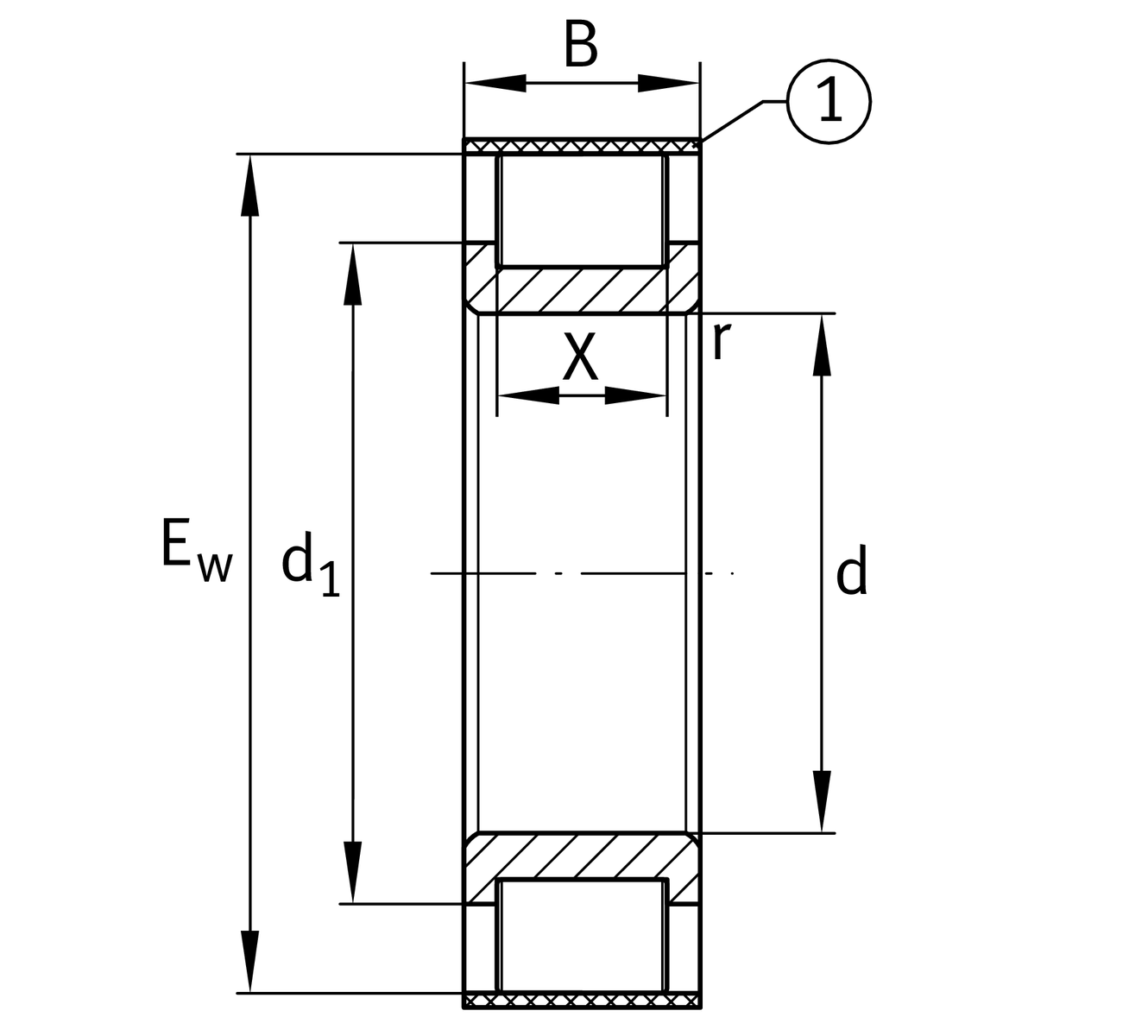
d
65 mm
Bore diameter
Ew
106.25 mm
Outer envelope circle
B
31 mm
Width
Cr
198,000 N
Basic dynamic load rating, radial
C0r
210,000 N
Basic static load rating, radial
Cur
39,500 N
Fatigue load limit, radial
nG
3,650 1/min
Limiting speed
≈m
0.925 kg
Weight

Mounting dimensions
da min
82.3 mm
Minimum diameter shaft shoulder
X
22 mm
raceway width

Dimensions
rmin
1.5 mm
Minimum chamfer dimension
d1
82.3 mm
Maximum rib diameter inner ring
TK
91.25 mm
pitch circle

Temperature range
Tmin
-30 °C
Operating temperature min.
Tmax
120 °C
Operating temperature max.

Your current product variant
Tolerance classPNNormal (PN)
Number of rolling element rows1Single-row design
Add item